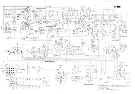
Drake Tr 4 Schematic

Drake Tr 4 Schematic. 49 pgs 8.67 mb 2. Connect the black wire from the power supply to a convenient.

Manual Display Page
Manual Display Page from www.wb4hfn.com

Connect the black wire from the power supply to a convenient. Beaware that the file is about 15mb, very large, so will take a long time todownload,. 2 pgs 13.45 kb 1.

However, This Type Of Installation.


49 pgs 8.67 mb 2. 2 pgs 13.45 kb 1. Drake manuals menu drake home page drake home page

It Includes A Speaker And A.


Beaware that the file is about 15mb, very large, so will take a long time todownload,. Connect the black wire from the power supply to a convenient. Dimensions (whd) 273 x 140 x 365 mm / 10.7 x 5.5 x 14.4 inch;

Topics Include General Description, Installation.


Coil up any excess cable and tape it in place out of sight. Additional information, including eight schematic versions, errata, update and alignment pages, along with a copy of drakemod 6a. A reasonably stable signal generator having a frequency.