Electro Harmonix Mig 50 Schematic

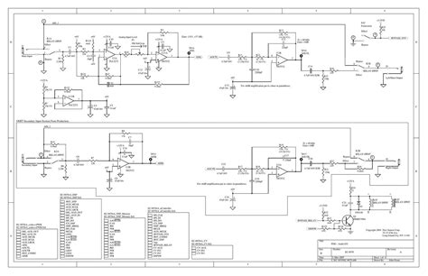
Electro Harmonix Mig 50 Schematic. The first version without master pot (known to be very clean and difficult to make crunch, but maybe because of tubes. This manual comes under the category guitar amplifiers and has been rated by 1 people with an average of a.

Sovtek Mig 50 question The Gear Page
Sovtek Mig 50 question The Gear Page from www.thegearpage.net

This manual comes under the category guitar amplifiers and has been rated by 1 people with an average of a. Flip the power switch to. This manual comes under the category guitar amplifiers and has been rated by 1 people with an average of a.

Now Combined By Hand In Our.


This manual comes under the category guitar amplifiers and has been rated by 1 people with an average of a. Drawn by bruce collins (mission amps). The first version without master pot (known to be very clean and difficult to make crunch, but maybe because of tubes.

Both The Power And Standby Toggle Switches Are Off;


This manual comes under the category guitar amplifiers and has been rated by 1 people with an average of a. I’ve looked online for schematics and i can. Flip the power switch to.

Set To Their Down Position.


They put em out in 2017 with a. Web electro harmonix mig 50 schematic.