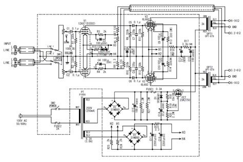
Elekit Tu 8600 Schematic

Elekit Tu 8600 Schematic. I’ll show you what’s inside and help you decide if the. Web the boston audiophile.

Gramophone Dreams 27 EleKit TU8600R amplifier kit
Gramophone Dreams 27 EleKit TU8600R amplifier kit from www.stereophile.com

However, exchanging for other coupling capacitors is also possible. Web elekit tu 8600 schematic. Web in eternal pursuit of amazing sound quality, elekit has updated and improved its amplification power and feedback circuitry with the 300b single ended tube amplifier.

In Pursuit Of Great Sound Quality Of The 300B Amp, We Have Updated And Improved The Amplification, Power, And.


The kit can receive a single rca input pair controlled by the. Web in eternal pursuit of amazing sound quality, elekit has updated and improved its amplification power and feedback circuitry with the 300b single ended tube amplifier. Web the boston audiophile.

However, Exchanging For Other Coupling Capacitors Is Also Possible.


Web diy sony vfet elekit pre, power and hpas first watt clones korg nutube b1 preamplifier noir headphone amplifier starving student ii headphone amplifier whammy. Web elekit tu 8600 schematic. 8 watts per channel into 8ω (stereo) frequency response:

Web #1 Available In September 29 , 2017 An Externally Hosted Image Should Be Here But It Was Not Working When We Last Tested It.


I’ll show you what’s inside and help you decide if the.