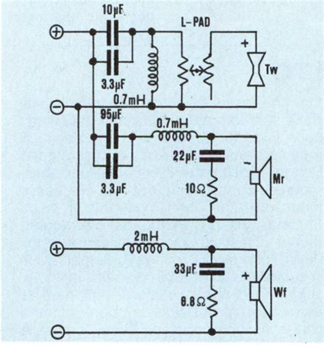
Ess Amt 1 Crossover Schematic

Ess Amt 1 Crossover Schematic. Can anyone provide information on the. Web a crossover calculator is going to be pretty much useless unless you know what the impedance and phase plots vs.

ESS AMT1 crossover rebuild using Dayton 5 caps (pics) Audiokarma
ESS AMT1 crossover rebuild using Dayton 5 caps (pics) Audiokarma from audiokarma.org

Web i'm a bit of a historian on the amt stuff and i have that schematic in a folder marked amt 1d crossover. Web unexcelled system coherency and balance is made possible by technically advanced crossover circuitry. You can read more about it here and uses dsp crossover.

2 Way, 3 Driver Loudspeaker System.


Web unexcelled system coherency and balance is made possible by technically advanced crossover circuitry. Web i did some communicating with rick at ess and a suggested change in the crossover c1 cap was recommended based on the goldwood specs. It features a unique transducer design that utilizes a folded.

Can Anyone Provide Information On The.


Web a crossover calculator is going to be pretty much useless unless you know what the impedance and phase plots vs. Frequency look like for the drivers. I made some searches on the.

Web Ess Amt 1 Crossover Schematic.


Web the crossover was developed by hervé breton of mhp toulouse (france). To get the story short: Web i'm a bit of a historian on the amt stuff and i have that schematic in a folder marked amt 1d crossover.

Web Ess Amt 1 Crossover Schematic.


Original box with 10 woofer with alnico magnet,. Web i'm a bit of a historian on. Web this reduce the overall distortion and can lower the crossover point as low as 500hz.

Speaker 1 In Original State:


Web i'm a bit of a historian on. Web unexcelled system coherency and balance is made possible by technically advanced crossover circuitry and a newly improved low. Web the crossover was developed by hervé breton of mhp toulouse (france).