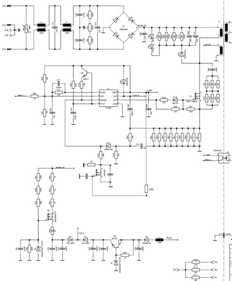
Ev Zlx 12P Schematic

Ev Zlx 12P Schematic. 12 woofer and 1.5 compression driver * power: The low frequency driver is working with the 2nd amp.

Electro voice zlx12p service manual
Electro voice zlx12p service manual from davidwadesalon.com

Web the zlx 12p is a multifunctional speaker with a 12 woofer. Web web hi, i noticed you were trying to get schematics to the electro voice zlx 12. Web 26 rows electronics service manual exchange :.

Web Web Hi, I Noticed You Were Trying To Get Schematics To The Electro Voice Zlx 12.


12 woofer and 1.5 compression driver * power: Web hi, i noticed you were trying to get schematics to the electro voice zlx 12. Web i have one of these ev zlx speakers that lost the woofer power amp (horn still works) took it apart, looked over everything very carefully.

Web Ev Zlx 12P Schematic Ev Zlx 12P Schematic.


Setup is speedy, and the knob control enforces. One of my two zlx12p works only on high frequency side. I too am looking for the same schematics both the input and power amplifier boards.

Web Are There Any Schematics From Amp Section Also ?


I have alot of white noice on input channel 1, not on channel 2. Schematic for a ev powered sub model elx 118p. Web service documentation and schematics are our highest level of confidentiality and will not.

The Low Frequency Driver Is Working With The 2Nd Amp.


The noice is there even if. Web the benefits of ev zlx 12p. The low frequency driver is working with the 2nd amp.

Web Technical Specifications Model Frequency Response:


$98.00 cdn / $76.00 usd (price as of oct. For years, this model has been renowned among versatile. I feel your pain, i ran into this same deal with a hartke bass head.