Evh 5150 Iii Schematic

Evh 5150 Iii Schematic. Evh ® 5150iii ® lbxii head tube functions download. I'd be really interested to hear any comments on the.

5150_III_Schematics jimification
5150_III_Schematics jimification from sites.google.com

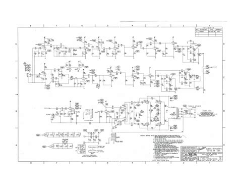
All resistors in ohms, 5%; All polarized capacitors in uf, 20%; This schematic is for pcb fabrication p/n 0096002000 and pcb assembly p/n 0096004000.

Please Do Not Offer The.


Output power switch installed in combo version only. Web evh gear evh 5150iii 50w schematics. Web this schematic is for pcb fabrication p/n 0079091000 and pcb assembly p/n 0079090000.

Web Here Are The Real Fender Amp Schematics For Evh5150 Amps And Footswitch In Case There Any Use To Anyone.


If you want to contribute, please. Ac test point data measured as follows: This schematic is for pcb fabrication p/n 0079091000 and pcb assembly p/n 0079090000.

Web Service Manual If You Get Stuck In Repairing A Defective Appliance Download This Repair Information For Help.


All polarized capacitors in uf, 20%; This schematic is for pcb fabrication p/n 0096002000 and pcb assembly p/n 0096004000. They can be found on the evh/fender website, but for.

Evh ® 5150Iii ® Lbxii Head Tube Functions Download.


Web peavey evh 5150 combo schematic. Read or download the pdf for free. This is the 4 pages manual for peavey evh 5150 combo schematic.

Web I Recently Got A 5150 Iii And The Schematics Came With It, So Did A Quick Scan Of Them This Morning For You Guys.


Web evh gear evh 5150iii 2x12 schematics. All polarized capacitors in uf, 20%; All polarized capacitors in uf, 20%;