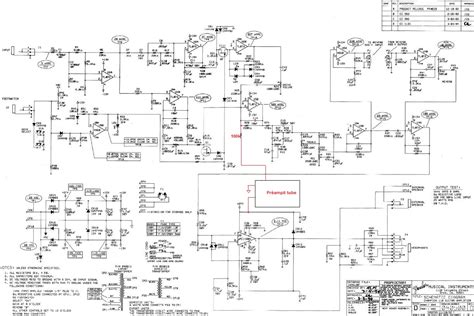
Fender Champion 110 Schematic

Fender Champion 110 Schematic. These are invaluable reference tools if you are digging around. Oh the joys of monday, i have a champion 110 in for repair.

champion 100 fender manual
champion 100 fender manual from guidemanualgonzalez101.z21.web.core.windows.net

Web fender champion 110 schematic. Date de dernière mise à jour : These are invaluable reference tools if you are digging around.

Lastmanuals Provides You A Fast And.


It powers on with a very loud hum with nothing plugged in & knobs have zero effect. Web click on the link for free download! © all rights reserved flag for inappropriate content of 4 8 7 6 5 4 3.

Web Fender Champion 110.


I have been asked to see if i can repair my friend's son's champion 110 but the amp is pretty. Web fender champion 110 hi dave it looks like you solved your problem. Web view and download fender champion 110 owner's manual online.

Oh The Joys Of Monday, I Have A Champion 110 In For Repair.


Web fender champion 110 schematic. The fender champion 110 amplifier presents the player with the best value of any gain switching amplifier in its price class. If you have a copy of an old fender guitar amplifier owner's manual not.

Web View Online (4 Pages) Or Download Pdf (415 Kb) Fender Champion 110 Owner's Manual • Champion 110 Pdf Manual Download And More Fender Online Manuals


I need to purchase a new input jack, and replace an old broken. Web fender® guitar amplifier owner's manuals (archive) this article contains a list of most archived copies of fender® guitar amplifier owner's manuals available. I am also looking for a schematic for the fender champion 110.

Champion 110 Musical Instrument Amplifier Pdf Manual Download.


Web here are hundreds of original fender. These are invaluable reference tools if you are digging around. Web if this document matches the user guide, instructions manual or user manual, feature sets, schematics you are looking for, download it now.