Fender Frontman 65R Schematic

Fender Frontman 65R Schematic. 65 princeton reverb amplifier pdf manual download. Web i ve got me fender frontman 65r solid state amp, and its pretty good sounding.

FENDER TWINREVERBAC568 Service Manual free download, schematics
FENDER TWINREVERBAC568 Service Manual free download, schematics from elektrotanya.com

Frontman 15 amplifier pdf manual download. Describe the sound of explosive noise. I've had a fender frontman 65r brought in for repair.

Juan Saved Parts Count By.


The symptom is underlying distortion in the clean channel. Fm 65r amplifier pdf manual download. Web i look for schematics of fender frontman 65r and/or peavey bandit 112.

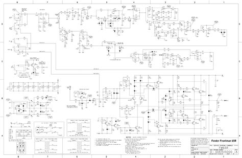
Web The Fender Frontman 65R Is A Solid State Combo Amp With A 65 Watt Output.


Web the gain behavior of this schematic is much more linear: Web this article contains a list of most archived copies of fenderĀ® guitar amplifier owner's manuals available. Page 1, 2 (fender schematics) 57 twin amplifier.

How Long Does The Sound Last?


Web view and download fender frontman 65 r operating instructions manual online. Describe the sound of explosive noise. Note that the human auditory system is sensitive to frequencies from about.

Manuals Are Listed Alphabetically By Model And Have Been Taken From.


Web fender 65 deluxe reverb guitar amplifier schematic [306 kb] fender 65 deluxe reverb manual [454 kb] fender 65 super reverb guitar amplifier schematic [304 kb] fender 65 twin. Web 28,668 aug 25, 2022 #2 welcome to aac! Floyd rose classic stratocaster hss.

Frontman 65 R Musical Instrument Amplifier Pdf Manual Download.


Web fender frontman 65r. Web view and download fender frontman 65r operating instructions manual online. I'm just wanting a bit of advice.