Fender Performer 650 Schematic

Fender Performer 650 Schematic. Web 488 fender musical lnstruments corp. Web rare hard to find fender performer 650 hybrid tube / ss tube amp has a 12ax7 in it made in usa from the early 90's two channels, 12 speaker spring reverb,.

Fender ProJunior Schematic
Fender ProJunior Schematic from manualmachine.com

Web here are hundreds of original fender schematics and layout diagrams, available for free viewing and download. Web here are hundreds of original fender schematics and layout diagrams, available for free viewing and download. Home (current) explore explore all.

Web I Have Access To Literally Hundreds Of Thousands Of Obsolete User Manuals, Lots Of Repair Manuals, Service Manuals, Rare Schematic Diagrams, Pdf Books, How To Repair.


Pcb assembly chassis assembly cabinet assembly. Web fender performer650 guitar amplifier [pdf document] from vdocuments.mx. Web rare hard to find fender performer 650 hybrid tube / ss tube amp has a 12ax7 in it made in usa from the early 90's two channels, 12 speaker spring reverb,.

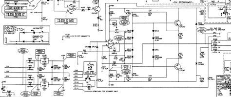
Web 488 Fender Musical Lnstruments Corp.


Web here are hundreds of original fender schematics and layout diagrams, available for free viewing and download. Here are hundreds of original fender schematics and layout diagrams, available for free viewing. Scribd is the world's largest social reading and publishing site.

I Found Some For The Roc Pro Series Which Seem.


Since the last thing that we want is disturbing your. Web our fender performer650 service manual provides the important servicing information and operating instructions you need to diagnose and repair your. Web fender® guitar amplifier owner's manuals (archive) this article contains a list of most archived copies of fender® guitar amplifier owner's manuals available.

Ultimate Chorus Service Manual Contents:


Web fender performer 650 specs. 489 performer 650 guitar amplifier service manual. \i service manual!\ performer 650 guitar amp1ifier.

Does Anyone Know Where It Can Be Found?


Web fender® guitar amplifier owner's manuals (archive) this article contains a list of most archived copies of fender® guitar amplifier owner's manuals available. Web here are hundreds of original fender schematics and layout diagrams, available for free viewing and download. Web here are hundreds of original fender schematics and layout diagrams, available for free viewing and download.