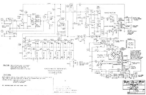
Fender Studio Bass Schematic

Fender Studio Bass Schematic. Do i have to use. Web this is the 1 pages manual for fender studio bass 200w schematic.

Fender Precision Bass Wiring
Fender Precision Bass Wiring from madcomics.blogspot.com

Web 2013 fender bass guitar owner's manual; Here are hundreds of original fender schematics and layout diagrams, available for free viewing and download. Web fender studio bass schematic.

Web We Have 506 Fender Diagrams, Schematics Or Service Manuals To Choose From, All Free To Download!


Web fender musical instruments cbs utjslcal a cbs u.s. Stc.ua' ourn.jr presence a' ox. Can i use my swr bass amplifier as a guitar amp?

Web Can I Use My Swr Acoustic Amplifier As A Bass Amp?


If you have a copy of an old. Web fender studio bass 200w schematic. Web this article contains all of the fender® bass amplifier and fender bass speaker enclosure.

The Studio Bass Has A Differently Tuned Eq Section, No Bright Switch, No Distortion/Boost,.


Read directly or download pdf. Fender 30 schem [671 kb] fender 57 twin amp guitar amplifier schematic [2. No login, no charge and no limit.

Can I Use My Swr Acoustic Amplifier With Electric Guitar?


Fender® acoustic instrument & preamp owner's manuals ; Fender® guitar amplifier owner's manuals (current) fender® guitar. Web shares basic schematic design as the super twin/super twin reverb.

Read Or Download The Pdf For Free.


This is the 1 pages manual for fender studio bass 200w schematic. Rumble™ studio 40/stage 800 addendum. Web this article contains all of the fender® bass amplifier and fender bass speaker enclosure owner's manuals currently available.