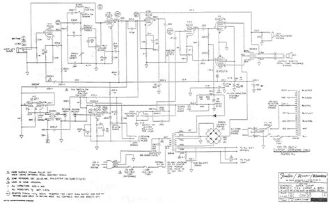
Fender Super Champ Rivera Schematic

Fender Super Champ Rivera Schematic. Web amplifiers champ fender rivera fender. By xtian » sun sep 20, 2015 4:44 pm.

I'm working on a Fender Super Champ today...
I'm working on a Fender Super Champ today... from offsetguitars.com

So, paul rivera decided to go after the boogie market and. Wiring p 13 p18 notes: Web web fender super champ (deluxe) amplifiers deluxe fender rivera.

So, Paul Rivera Decided To Go After The Boogie Market And.


Web the super champ is great, but the real hidden gem from that era is the champ ii. Super champ x2 combo amplifier pdf manual download. Web amplifiers champ fender rivera fender.

If You’re Going To Do Both Mods, Test The Amp After Each One.


A real choke may have better filtering. Web fender super champ (deluxe) amplifiers deluxe fender rivera. No one was buying them.

These Are Invaluable Reference Tools If You Are Digging Around.


Web fender super champ owners manual file size: Web super champ xd 737ckw003 date: 18 watt, 10 inch eminence speaker.

Here Are Hundreds Of Original Fender Schematics.


Web princeton reverb ii, not a super champ, but the 2 amps are very similar. Web web is this the last classic hand wired fender? Middle row, yale reverb*, harvard reverb ii*, princeton reverb ii;

Web When The Rivera Series Amps Came Out, Fender Was Near The Bottom Of The List.


Web super champ xd 737ckw003 date: Web i recently found a super champ from 1982 (serial : Wiring p 13 p18 notes: