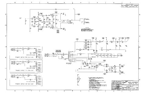
Fender Supersonic 22 Schematic

Fender Supersonic 22 Schematic. Fender musical instrument amplifier user manual. If you have a copy of an old fender guitar amplifier owner's manual not.

Fender SuperSonic 22 Combo Blonde Thomann UK
Fender SuperSonic 22 Combo Blonde Thomann UK from www.thomann.de

This is the 3 pages manual for fender super sonic22 schematic. Read or download the pdf for free. If you have a copy of an old fender guitar amplifier owner's manual not.

Web Fender Supersonic 22 Schematic.


If you have a copy of an old fender guitar amplifier owner's manual not. Read or download the pdf for free. Tone master® twin reverb® tone master® deluxe reverb® vintage.

If You Want To Contribute, Please Mail Your.


Fender stereo amplifier user manual (15 pages). Web fender supersonic 22 schematic. Fender musical instrument amplifier user manual.

Web Web That Schematic And Its Board Layout Can Be Found On The Fender Home Page.


This is the 3 pages. With mine the cold solder joints. If you have a copy of an old fender guitar amplifier owner's manual not.

Not Sure If The 22 Is Built In A Different Factory Than The 60.


Read or download the pdf for free. Web search in titles only search in schematic. Not sure if the 22 is built in a different factory than the 60.

Usually Ships Within 24 Hours.


Web i had a ss60 with cold solder joint issues, and that's how it manifested itself. Web with mine the cold solder joints. I open up the amp there is soot covering everything.