Garage Door Sensor Schematic

Garage Door Sensor Schematic. Wiring safety reversing sensors, which ensure a garage door automatically reverses before contacting anything in its. Web the first step in wiring genie garage door sensors is to turn off the power supply.

Garage Door Opener Electric Eye
Garage Door Opener Electric Eye from www.phy.mtu.edu

Web how to wire safety sensors to a garage door opener. This unit emits an infrared. Web by gree claire | october 19, 2022 0 comment garage door light beam sensors are a critical component of any home security system.

Web This Article Will Provide An Overview Of The Garage Door Light Beam Sensor Schematic.


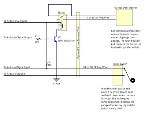
2 more images figure 2 is the wiring diagram for the sensor’s connection to the controller. Web the first step in wiring genie garage door sensors is to turn off the power supply. Web whether you are installing a garage door sensor or upgrading your existing wiring, understanding the wiring diagram is essential to making sure your project is.

Web What Do Garage Door Safety Sensors Look Like?


Web each safety sensor has two wires, one wire is white, one wire is white with a black stripe. Web by gree claire | october 19, 2022 0 comment garage door light beam sensors are a critical component of any home security system. The white terminal is ground and the gray.

Web Two Connectors On The Opener.


Wiring safety reversing sensors, which ensure a garage door automatically reverses before contacting anything in its. Web april 22, 2023 garage door you may not give them much thought, but those sensors at the bottom of your garage door impact how your garage door opener. Install the new door sensor with the included fastening strips or optional screws to a clean, dry area.

Remove The Pull Tab From The New Door Sensor To Activate The Battery.


Garage door sensors consist of two primary components: The garage door will be made b. Learn the components of garage door sensors.

A Photoelectric Beam Consists Of Two Components:


With the devices hooked up to the opener and the two boxes aimed at each other, an oscilloscope was used to see what was going on. Web the garage door light beam sensor schematic diagram is based on the principle of a photoelectric beam. Garage door sensors are small, black boxes located a few inches from the floor on both sides of the garage door.