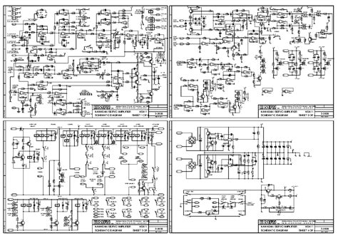
Haas Servo Amplifier Schematic

Haas Servo Amplifier Schematic. Before replacing an amplifier, be sure to follow. Good condition units from a suposedly working cnc center.

Servo Amplifier Replacement AD0280
Servo Amplifier Replacement AD0280 from www.haascnc.com

Web three haas servo amplifiers, one 30a and two 40a units, plus a large 40/30 (~20 hp )spindle drive unit. I looking for haas servo amplifier schematics. When the encoder does not.

A Coworker Of Mine Sent Me Home With The Servo Amplifier Out Of One Of His Personal Haas Milling Centers For Repair.


Web in this haas service video, haas service engineer orville collins walks you through troubleshooting haas servo amplifiers. All four operate the same way. Web 182 20k views 4 years ago in this haas service video, haas service engineer orville collins walks you through troubleshooting haas servo amplifiers.

Smart Amplifier Assemblies Are Powered From The.


Check the corresponding amplifier assembly. 20k views 4 years ago. I looking for haas servo amplifier schematics.

July, 1996 Introduction This Procedure Tells You How To Remove A Servo Amplifier And Install A Smart Servo Amplifier.


Before replacing an amplifier, be sure to follow. Somebody can help me please, i have few old amplifiers, but nobody can repair them without schematic I looking for haas servo amplifier schematics.

30A [1], 45A [2], 60A [3], And 90A [4].


The unit is made up of two. I looking for haas servo amplifier schematics. When the encoder does not.

Web Best I Can Tell, The Controls Command Movement, The Amp Commands The Servo On And Looks For The Encoder To Show Movement.


Web the haas rotary table is a fully automatic, programmable, rotary positioning device. Web web watch as we completely function test a haas servo control after the breakout box has been repaired. Web i've been searching the net for a bit, with no luck.