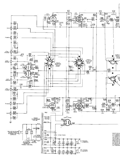
Heathkit Sa 2 Schematic

Heathkit Sa 2 Schematic. Web this is the manuals page for heathkit. Web view and download heathkit sp 2 instruction manual online.

Heathkit Sa 2060 Manual proeasysite
Heathkit Sa 2060 Manual proeasysite from proeasysite.weebly.com

Web a collection of heathkit schematics and manuals activity. In this page you find schematic, users and instructions manuals, service manuals, technical supplement, leaf. Web you can get free schematics at:

Web View And Download Heathkit Sp 2 Instruction Manual Online.


Achannel level and mom level. Web web view and download heathkit sa 2 instruction manual online. You get 1 for each file you add.

Stereo Integrated Audio Amplifier Complete Manual :


Web heathkit sa 2040 schematic. Web view and download heathkit sa 2 instruction manual online. Web service manuals, schematics, eproms for.

We Have Sent A Verification Link To To Complete Your Registration.


Upload your files to the site. This is the manuals page for heathkit. Web web heathkit maniuals (s), all instruction manuals, assembly manualsd, schematic for all heathkit equipment starting with the model number s.

If You Can't Find The Email, Check Your Junk/Spam Folder.


In this page you find schematic, users and instructions manuals, service manuals, technical supplement, leaf. Web you can get free schematics at: Web heathkit maniuals (s), all instruction manuals, assembly.

Web This Is The Manuals Page For Heathkit.


Web a collection of heathkit schematics and manuals activity. Web heathkit maniuals (s), all instruction manuals, assembly manualsd, schematic for all heathkit equipment starting with the model number s. Web view and download heathkit sa 2 instruction manual online.