Heathkit Sb 1000 Schematic

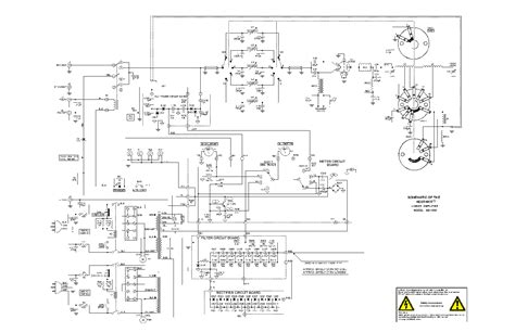
Heathkit Sb 1000 Schematic. Web heathkit sb1000 linear amplifier schematic service manual | download the high quality digitized pdf, or order a high quality paperback manual, tech sheet or. Web figure 1 — heathkit sb‑1000 6 m band conversion schematic.

Heathkit sb 1000 schematic
Heathkit sb 1000 schematic from manualmachine.com

Contains technical specifications, part list, detailed assembly instructions, test + alignment details, installation + operation. Web heathkit sb 1000 schematic. Web heathkit sb1000 linear amplifier schematic service manual | download the high quality digitized pdf, or order a high quality paperback manual, tech sheet or.

Web Looking At The Thread In The Archives:


Symptom probably means that there's a fried component, between the hv. Sign up and get 5 for free. Dimensions (whd) 14.5 x 8.25 x 14 inch / 368 x 210 x 356 mm;

Web This Is The Manuals Page For Heathkit.


Contains technical specifications, part list, detailed assembly instructions, test + alignment details, installation + operation. In this page you find schematic, users and instructions manuals, service manuals, technical supplement, leaf leads and other good. Contains technical specifications, part list, detailed assembly instructions, test + alignment details, installation + operation.

Web Heathkit Sb1000 Linear Amplifier Schematic Service Manual | Download The High Quality Digitized Pdf, Or Order A High Quality Paperback Manual, Tech Sheet Or.


Contains technical specifications, part list, detailed assembly instructions, test + alignment details, installation + operation. Web heathkit sb 1000 schematic. Web web heathkit sb 1000 schematic.

Web Heathkit Sb 1000 Schematic.


It was suggested that this. Web 701 rows diagram and schematic : I am now retired and living on the isle of man, my.

You Can Only View Or Download Manuals With.


See table 1 for the project bill of materials. You are unauthorized to view this page. Upload your files to the site.