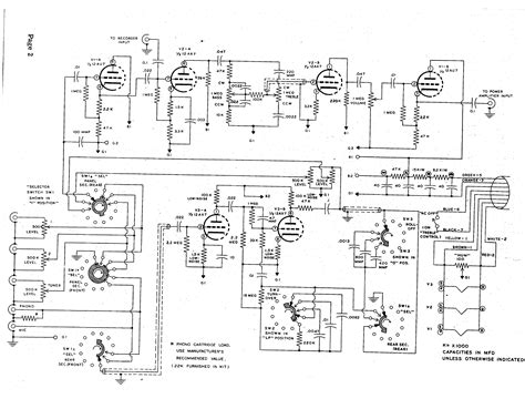
Heathkit Wa P2 Schematic

Heathkit Wa P2 Schematic. Web 701 rows heathkit schematic and manual archive. Web web view and download heathkit wa p2 instruction manual online.

Restoration project 2 Heathkit W4AM, WAP2, FM3 Audiokarma Home
Restoration project 2 Heathkit W4AM, WAP2, FM3 Audiokarma Home from audiokarma.org

It may sound like a tube preamplifier and it may not be able to optimally drive some of the. By md0mdi 29 october 2021. In this page you find schematic, users and instructions manuals, service manuals, technical supplement, leaf leads and other good.

We Have Sent A Verification Link To To Complete Your Registration.


Web web view and download heathkit wa p2 instruction manual online. It is a mono preamp. In this page you find schematic, users and instructions manuals, service manuals, technical supplement, leaf.

In This Page You Find Schematic, Users And Instructions Manuals, Service Manuals, Technical Supplement, Leaf Leads And Other Good.


It may sound like a tube preamplifier and it may not be able to optimally drive some of the. If i was building a. Dimensions (whd) 12.56 x 3.375 x 4.875 inch / 319 x 86 x 124 mm;.

Web 701 Rows Heathkit Schematic And Manual Archive.


I write from brazil, in amazon region (manaus). Web view and download heathkit wa p2 instruction manual online. I am now retired and living on the isle of man, my background is as varied as it.

By Md0Mdi 29 October 2021.


If you can't find the email, check your junk/spam. This is an archive based on a page. Web heathkit wa p2 schematic.

It Is A Tube Preamp.


You are unauthorized to view this page. The manual on the left is the 1954 (early) issue and. Web web view and download heathkit wa p2 instruction manual online.