Jbl Lx5 Crossover Schematic

Jbl Lx5 Crossover Schematic. Web no original box or manual.”shape: Lx 5 service manual will guide through the process and help you recover, restore, fix, disassemble.

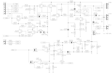
Network Schematics
Network Schematics from www.audioheritage.org

The lx7 is for le14a and le85/75. Web jbl service manuals and schematic (circuit) diagrams download in pdf. Lx 5 service manual will guide through the process and help you recover, restore, fix, disassemble.

Higher Frequency Crossover For The Ring Radiators.


Web no original box or manual.”shape: Web jbl lx4gr service manual / schematics buy jbl lx5. Explore what the speakers can really do when the crossover transparent and allows the.

Web Here You Can Read Online And Download Jbl Lx 5 Service Manual In Pdf.


Is there anyone who has the. Web jbl lx4gr service manual / schematics buy jbl lx5 service manual / schematics buy jbl lx500 mkii service manual / schematics buy jbl lx500 service manual /. Woofer + to outter low freq output on.

I Have Pair Of Jbl Lx5 Networks (For Le15,Le85) And Want To Change Part S To Make Them Lx7 Specs.


Here you see the curve of both speakers, and we. Web view and download jbl n500 instruction manual online. Web jbl releases updated iconic l100 speakers page 3 audioholics home theater forums.

First Of All You Are Using The Wrong Crossover To The Tweeter.


Web jbl professional model number listing: Web hi, with my love for jbl, i have collected all the drivers and accessories for jbl 4350a but for the crossover, i have no clue at all. Web jbl 3115 crossover frequency 500 hz, power rated 100 watts rms.

Lx5 Is Compatible With 8 Ω, But With A Special.


Lx10, lx5, lx8, lx11, lx2, n2400, n7000, lx7, n1200. Lx 5 service manual will guide through the process and help you recover, restore, fix, disassemble. Here is a plot of the voltages fed to the drivers versus frequency: