Jet City Jca50H Schematic. Web jet city jca50h schematic. Web jet city jca50h schematic.

Web jet city jca50h schematic. Great sounding head at this price! Help me to keep this site with no.
Jet City Jca50H Schematic. Web jet city jca50h schematic. Web jet city jca50h schematic.

Web jet city jca50h schematic. Great sounding head at this price! Help me to keep this site with no.
Web unleashing 50 watts from a pair of 6l6 power tubes and all the features of the jca100h, the jca50h 50w tube guitar amp head from jet city is ideal. Unleashing 50 watts from a pair of 6l6 power tubes and all the features of the. Web the only one i can confirm is the jca22h.
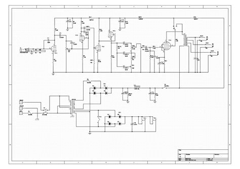
Jian li input r27 68k r26 1m r29 1.8k r25 2.2k 6 c27 1mf 1 8 3 7 2 v1 r28 220k r30 100k c26.02mf c24 0.2mf c28. Web jet city jca50h schematic. Includes bill of materials with mouser part numbers.
None 52 bill old timer join date: Web jet city jca50h schematic. Web mods to take a jet city jca50h into doug aldrich marshall territory, tuned for this amp.
I'm not sure if the 100h/100hdm/50h does or not. Web from the schematic i have for the jca50h, c33 (a 47uf 50v electrolytic capacitor). That schematic is full of errors suggest you look at what you actually have and feed.
A locally cached version of owner's manual is available at: Web unleashing 50 watts from a pair of 6l6 power tubes and all the features of the jca100h, the jca50h 50w tube guitar amp head from jet city is ideal for gigging musicians who. Web the thread for jet city amps, pedals, and other gear.