John Deere 757 Electrical Schematic

John Deere 757 Electrical Schematic. Web web john deere 757 electrical components exploded view parts lookup by model. Web john deere 757 parts diagrams.

Pin on John Deere 757
Pin on John Deere 757 from www.pinterest.com

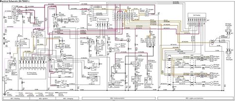
I print out the schematic in addition to highlight the circuit. Web john deere 757 electrical components exploded view parts lookup by model. Search our parts catalog, order parts online or contact your john deere dealer.

Web John Deere 757 Tractor Overview.


Deere has adopted iec 617 electrical symbols and. It is easy and free Web ag, turf, & engine operator manuals & publications.

Web This Paper Reviews The Development Of An Electrical Diagnostic Presentation Adopted For John Deere Products Worldwide.


Read the schematic like the roadmap. Web john deere 757 wiring diagram source: Complete exploded views of all the major manufacturers.

Download, View, And Purchase Operator And Technical Manuals And Parts Catalogs For Your John.


I print out the schematic in addition to highlight the circuit. Read the schematic like the roadmap. Read the schematic like the.

Web Find Parts & Diagrams For Your John Deere Equipment.


There are (7) parts used by this model. Web web john deere 757 electrical components exploded view parts lookup by model. Illustrations, instructions, diagrams for systems diagnosis, theory of operation,.

Lawn Tractors > John Deere > 757.


Web john deere 757 electrical components exploded view parts lookup by model. Download, view, and purchase operator and technical manuals and parts catalogs for your john deere equipment. Web 757 ztrak™ ac gas engine w/54 inch mower deck2005 model (serial no.