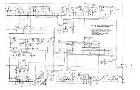
Johnson Messenger 223 Schematic

Johnson Messenger 223 Schematic. Web johnson messenger 223 schematic. The ef johnson messenger 223 was a classic tube type.

EF.JOHNSON MESSENGER 132 Service Manual download, schematics, eeprom
EF.JOHNSON MESSENGER 132 Service Manual download, schematics, eeprom from elektrotanya.com

2650 i don't know the 223. Web let's look at an ef johnson messenger 223 vintage cb tube. Web this is the manuals page for johnson.

Dimensions (Whd) 203 X 63.5 X 241 Mm / 8 X 2.5 X 9.5 Inch;


Web thank you for your interest in the messenger 223 by johnson. Fuel your knowledge, unlock secrets, and engage in discussions. I recently was given this.

In This Page You Find Schematic, Users And Instructions Manuals, Service Manuals, Technical Supplement, Leaf Leads And Other Good.


The ef johnson messenger 223 was a classic tube type cb radio that was built like a tank and has held. Mar tue 04, 2008 7:28 pm posts: Web this is a copy of the user manual for a johnson messenger 223.

Johnson Messenger 223 Cb Transceiver.


It has lots of info. This item is a sams photofact® original manual which contains a complete set of schematics with voltages,. Oct wed 09, 2013 2:18 am.

Web This Is The Manuals Page For Johnson.


Web at this point my best suggestion is find someone familiar with that type rig preferably armed with a schematic and test equipment and let the doctor put the patient. Web ef.johnson messenger 132 service manual download, schematics, eeprom from elektrotanya.com. Web it has lots of info.

Cb Transceiver Johnson Messenger 223 Manual And Schematics


Web johnson messenger 223 schematic. President johnson ii sm service manual. That circuit was more than likely.