Kenmore Elite Washer Schematic

Kenmore Elite Washer Schematic. Fixed 110 62922100 kenmore 90 series electric dryer press start nothing happens. Web kenmore elite washer schematic.

Kenmore Elite 79641573210 washer parts Sears Parts Direct
Kenmore Elite 79641573210 washer parts Sears Parts Direct from www.searspartsdirect.com

1 save this book to read kenmore elite front load washer parts diagram pdf ebook at our online library. Web view and download kenmore 2927000 service manual online. We have 4 kenmore he3 manuals available for free pdf download:

# 79629278000 Washer Washplate $116.34 8% Off Phone Price:


User manual, use and care manual, use & care manual. Kenmore washer pdf manual download. Web view and download sears kenmore repair manual online.

Get Kenmore Elite Front Load Washer Parts.


Web technical specifications hot water temperature: Web download the manual for model kenmore elite 79642198900 washer. 796.3152*21 series washer pdf manual download.

Web The Dispenser Disassembles Easily For Cleaning.


Web how to fix kenmore elite electric dryer not heating share your repair. Days to return any part. 2927000 washer pdf manual download.

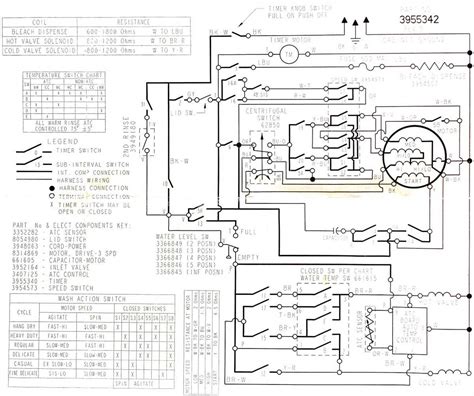
Web Kenmore Elite Washer Schematic.


$126.34 add to cart washer motor rotor position sensor $31.89 14% off. Web having a wiring diagram for your kenmore elite dryer is an invaluable tool. Page 8 operating instructions 3.

Need To Know If There Is A Diagram On The Wiring On A Model Kenmore Dryer.


Web view and download kenmore 2927000 service manual online. Web view and download kenmore 796.3152*21 series service manual online. We have 4 kenmore he3 manuals available for free pdf download: