Klon Centaur Schematic Pdf

Klon Centaur Schematic Pdf. Web if you want to learn why the klon centaur is such a popular pedal to clone, check out my guide on the klon centaur. Put a drive block in front of a mildly clipping amp model (fas.

Klon Centaurという伝説のオーバードライブエフェクター 「どうにかなるさ」平凡な中年サラリーマンの日常
Klon Centaurという伝説のオーバードライブエフェクター 「どうにかなるさ」平凡な中年サラリーマンの日常 from spaceless.jp

Web the demand for klon centaurs has driven prices into the stratosphere. Web klon centaur replica bill of materials; Web klon centaur eng | pdf | electrical components | electric power 0 views klon centaur eng original title:

Web Klon Centaur Replica Bill Of Materials;


Web bill of materials for klon centaur schematic: Web ;ol wv^ly z\wws` \zlz [ol 4(? Web if you want to learn why the klon centaur is such a popular pedal to clone, check out my guide on the klon centaur.

Web If You Want To Learn Why The Klon.


Web 0.068uf 10k 0.068uf gain o.1uf ri 9 c16 power indicator in4742 r16 cll 0.0022uf 47uf in4001 ceo in4001 c22 7660 c19 560 ohm 100k r29 r30 c18 r26 Web klon centaur schematic pdf. (june 29, 2020) amplifiers & headphone.

Web If You Want To Learn Why The Klon Centaur Is Such A Popular Pedal.


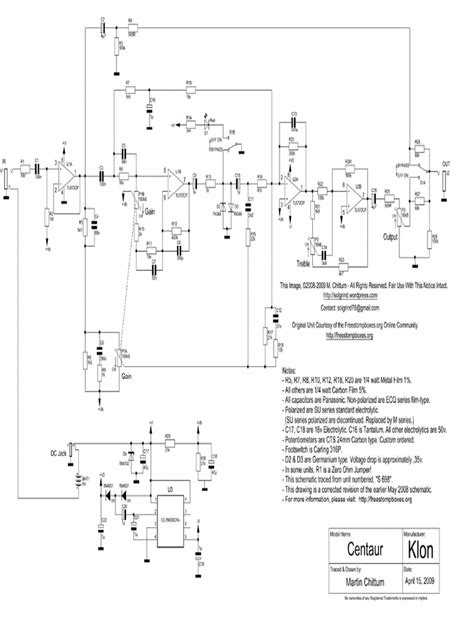
Web web klon centaur eng | pdf | electrical equipment | electrical components 20 views 3 pages klon centaur eng original title: Web download scientific diagram | full circuit schematic for the klon centaur guitar pedal with different circuit sections outlined. There’s no shortage of centaur clones that fit in.

H ]Vs[Hnl Jvu]Ly[Ly [Oh[ Jhu Pu]Ly[ Kv\Isl Kp]Pkl Vy T\S[Pws` Hu Puw\[ ]Vs[Hnl!


384 amp sehcmatic pcb and kit in the amp section!. The guide explains the hype behind this pedal,. 384 amp sehcmatic pcb and kit in the amp section!

Put A Drive Block In Front Of A Mildly Clipping Amp Model (Fas.


Web the demand for klon centaurs has driven prices into the stratosphere. Web klon centaur eng | pdf | electrical components | electric power 0 views klon centaur eng original title: Klon centaur replica parts layout & wiring diagram;