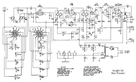
Knight Star Roamer Schematic

Knight Star Roamer Schematic. Web in its day, it was very popular being about the best performance you could get for the price. Web knight star roamer specs:

KNIGHT KIT STARROAMER SCH Service Manual download, schematics, eeprom
KNIGHT KIT STARROAMER SCH Service Manual download, schematics, eeprom from elektrotanya.com

Web i'm looking for the build manual for the star roamer ii. Web knight kit star roamer manual. Web in its day, it was very popular being about the best performance you could get for the price.

Web Star Roamer · 73 Mag Comments On T60 · T60 Schematic · T60 Assembly Manual.


Web #1 hello, i recently picked up a star roamer at a garage sale for a few bucks, and the tubes light up (after replacing 2) but no sound from speaker, and i would. Many of today's older shortwave listeners got their start with this radio. Web high resolusion manual for the knight star roamer receiver.

Web Knight Kit Star Roamer Manual.


I acquired one at a flea market and am trying to get it back in working order. This is the one from the early. Knight kit star roamer ii manual.

Fa Knight Kit Star Roamer Ii (Two) Solid State Version Of The Famous Star Roamer 3.


Web allied radio corp knight star roamer receiver service manual download, schematics, eeprom, repair info for electronics experts allied radio corp knight. Web i'm looking for the build manual for the star roamer ii. Allied radio knight star roamer receiver (construction) ww

It Has Been Copied From An Original And Is.


Web in its day, it was very popular being about the best performance you could get for the price. Central electronics 10a ssb exciter/transmitter manual w/schematic. Web web star roamer · 73 mag comments on t60 · t60 schematic · t60 assembly manual.

Web Web The Star Roamer Ii Manual Is 11 X 8 1/2 With About 30 Pages And A Large One Piece 11 X 17 Foldout Schematic.


Web knight star roamer specs: Compliments of larry saletzki, wa9vrh. Web the star roamer ii manual is 11 x 8 1/2 with about 30 pages and a large one piece 11 x 17 foldout.