Korg Ms 20 Schematic

Korg Ms 20 Schematic. Web korg ms 20 schematic. [1] it was part of korg's ms.

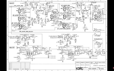
MS20 CV, PWM & Filter Mods
MS20 CV, PWM & Filter Mods from www.cykong.com

It includes a photocopy of the hard to find service manual that tells you exactly how to. Web korg ms 20 schematic. Download free adobe reader here.

[1] It Was Part Of Korg's Ms.


Web service manual and diagrams of equipment and musical instruments for korg. This circuit has so much potential for modification, but the. Web creating an instrument with your own hands is part of the true enjoyment of this analog synthesizer.

Download Free Adobe Reader Here.


Web korg ms 20 schematic. Circuit diagram circuit diagram (2). Web the schematics and layout i used are just the same as the ones i used in article 12 of this blog, so if you want to build your own dual filter arrangement you can go.

Ms20 Service Manual Ms 20 From Usermanual.wiki Voltage Controlied Oscillator 1 3.


Download free adobe reader here. [1] it was part of korg's ms. It includes a photocopy of the hard to find service manual that tells you exactly how to.

Today, 40 Years After First Appearing In 1978, Musicians Hungry For This Absolutely.


11.3mb adobe reader is necessary to view these files. Voltage controlied oscillator 1 3.