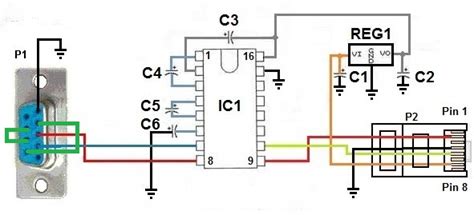
Kpg 46 Cable Schematic. Web kpg 46 cable schematic. This cable requires a driver for the computer to be.

Web kpg 46 cable schematic. Web september 10, 2015 ·. This cable requires a driver for the computer to be.
Kpg 46 Cable Schematic. Web kpg 46 cable schematic. This cable requires a driver for the computer to be.

Web kpg 46 cable schematic. Web september 10, 2015 ·. This cable requires a driver for the computer to be.
Suitable for the following radios: This is an adapter i designed and built by making a few minor. This cable requires a driver for the computer to be.
Web kenwood pc control programming cables. One caveat, some of the available. Web kpg 46 cable schematic.
This cable is 4.92 feet long and is usb 2.0 compliant. Pc tuning for the mobile model.