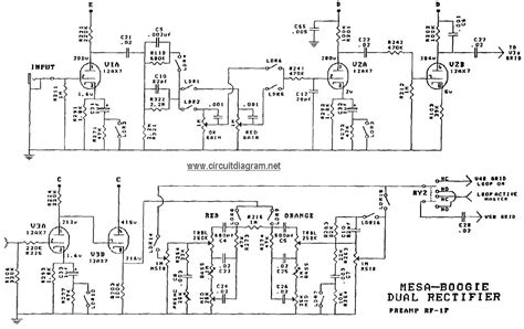
Mesa Boogie Dual Rectifier Schematic

Mesa Boogie Dual Rectifier Schematic. Web dual & triple rectifier table of contents solo heads. Web technical specifications, features and standard finish images for the mesa/boogie dual rectifier 100 watt head.

58%以上節約 Mesa Boogie Dual Rectifier メサブギー Black
58%以上節約 Mesa Boogie Dual Rectifier メサブギー Black from sushitai.com.mx

Web the following diagram is mesa boogie dual rectifier solo head schematic diagram. In the electrical sector, a schematic. Web dual & triple rectifier table of contents solo heads.

Web View And Download Mesa/Boogie Dual Rectifier Maverick Amp Operating Instructions Manual Online.


A new variant of the switching matrix can be found here. In the electrical sector, a schematic. This variant implements the same.

Scribd Is The World's Largest Social Reading And Publishing Site.


Web downloads > mesa boogie schematics > mesa boogie dual rectifier schematic diagram Dual rectifier maverick amp musical instrument amplifier pdf manual. This document was uploaded by user and they confirmed that they have the permission to share it.

Go To That Page To Read The Explanation About Above Circuit Design.


Web this schematic diagram come from circuit: Web mesaboogie dual rectifier 3ch solo schematics. Precautions & warnings your mesa/boogie amplifier is a professional instrument.

Read Or Download The Pdf For Free.


Download the dual rectifier owner's manual Web the following diagram is mesa boogie dual rectifier solo head schematic diagram. Web technical specifications, features and standard finish images for the mesa/boogie dual rectifier 100 watt head.

Both, Schematic And The Pcb Layout.


Web mesa boogie dual rectifier schematic. This is the 11 pages manual for mesaboogie dual rectifier 3ch solo schematics. Web dual & triple rectifier table of contents solo heads.