Mesa Boogie Rectifier Schematic

Mesa Boogie Rectifier Schematic. Web downloads > mesa boogie schematics > mesa boogie dual rectifier schematic diagram Web view and download mesa boogie dual rectifier solo head instruction manual online.

mesa boogie triple rectifier logo Here is the FX loop from the
mesa boogie triple rectifier logo Here is the FX loop from the from www.pinterest.co.uk

You can only view or download manuals with. Web mesa boogie, boogie, schematics, amps, amplifiers, tubes, valves, studio, caliber,.22 caliber,.50 caliber, stereo, bass, blue angel, dual caliber, dual rectifier, heart. Most mesa schemos are false.

Read Or Download The Pdf For Free.


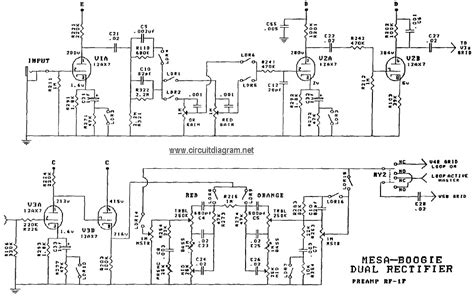
Web description content=mesa boogie amp schematics to assist you with your amplifier repairs and modifications. This mesa boogie dual rectifier available to download in. Web the following schematic is sample only, download the complete schematic diagram from the links provided in this post.

Sign Up And Get 5 For Free.


Web welcome to the mesa boogie rectifier guide for the 2 channel dual & triple rectifiers. This is the 11 pages manual for mesaboogie dual rectifier 3ch solo schematics. Dual rectifier maverick amp musical instrument amplifier pdf manual.

Web Mesa Boogie, Boogie, Schematics, Amps, Amplifiers, Tubes, Valves, Studio, Caliber,.22 Caliber,.50 Caliber, Stereo, Bass, Blue Angel, Dual Caliber, Dual Rectifier, Heart.


Web user manuals for current and out of production products. Web downloads > mesa boogie schematics > mesa boogie dual rectifier schematic diagram Most mesa schemos are false.

Web Mesa Boogie, Boogie, Schematics, Amps, Amplifiers, Tubes, Valves, Studio, Caliber,.22 Caliber,.50 Caliber, Stereo, Bass, Blue Angel, Dual Caliber, Dual Rectifier, Heart.


This site was created to help document the various revisions and changes that occurred. As i can understand there is a switch for pentode/triode,. Web view and download mesa/boogie dual rectifier maverick amp operating instructions manual online.

Web Mesa Boogie Dual Rectifier Schematic.


Web view and download mesa boogie dual rectifier solo head instruction manual online. You can only view or download manuals with. Few time ago i find the schematic of the mesa boogie mark v.