Mesa Mark Iic+ Schematic

Mesa Mark Iic+ Schematic. Web mesa boogie mk iic+ schematic. Web we began building mark iic amps at serial number 11000 and mark iic+ amps at approximately serial number 12400.

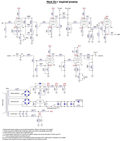
Amps > Mesa Mark IIc+ Pre PCB DIY Fever Building my own guitars
Amps > Mesa Mark IIc+ Pre PCB DIY Fever Building my own guitars from diy-fever.com

As others have stated in this thread, this is a mod that. Used for education and maintenece purposes. Web does anyone have a schematic of the mesa boogie mark ii c+ that is easy to read?

Web Dan_O (Or Anyone Else).I Built A Mark Iic+ Preamp Based On The Sloclone Schematic And Struggling With The Eq Circuit.


Resistor and capacitor numbers are not. Web welcome to the mesa boogie mark iic+ repository. Web the mesa® boogie® iic++ is a mythical and coveted factory modification of the iic+ amplifier, which refined its tonal capabilities with a new preamp circuit design.

Some Commenters Pointed Out That The.


Web we began building mark iic amps at serial number 11000 and mark iic+ amps at approximately serial number 12400. Web this method should remove all doubt as to whether the preamp. Web neural dsp technologies introduces the mesa boogie mark iic+ suite.

Web Mesa Mark Iii Fully Modded To Mark Iic++ / Mark Iic+ Spec.i Modified The Amp My Own Based On The Original Mark Iic+ Schematic And Every Single Circuit Compon.


The component values on the copies you can get on the net are not always clear. All rights belong to mesa/boogie ltd. Web does anyone have a schematic of the mesa boogie mark ii c+ that is easy to read?

Used For Education And Maintenece Purposes.


As others have stated in this thread, this is a mod that. Web mesaboogie mark ii c. However, many owners of earlier mark iic models.

My Dream Amp (Right Now) Is A Mesa Boogie Mark Iic+.


The power section is a basic marshall. Owner's manual (54 pages) , operating instructions manual (24 pages) , owner. Web the mesa boogie mark iic++ is a mod done by mike b of mesa boogie on mesa mark iic+ model amps.