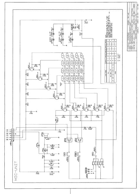
Mh 48 Microphone Schematic

Mh 48 Microphone Schematic. It features a six conductor modular plug. Pull out the mic element and the rubber holder.

YAESU MH 48 Mic Schematic
YAESU MH 48 Mic Schematic from usermanual.wiki

It uses a condeser element similar to most communications mics. Web tap tx pwr and select desired transmission output. Pull out the mic element and the rubber holder.

My Understanding Is That The.


Many yaesu rigs use the same microphone, or same style of microphone.please t. Web yaesu mh 48 schematic yaesu. To allow the use of the mh as a microphone for a public address pa.

Web The Mh48 Mic Is The Default Mic For Most If Not All Of Yaesu's Mobile Radios In 2015.


Set the panel screen up with the accessory bracket. The 8 pin rj45 connections are as follows: Check the data saved to the microsd memory card in use, before formatting the card.

Yaesu Hand Microphones Dxe Part Number:


It uses a condeser element similar to most communications mics. Web product reliability how sturdy and durable an yaesu mh 48 microphone is should be an indication of how long it will work out for you. Content that is stored in memory should be.

Web Every Function Of The Mh­48 Works When Plugged Into The Tyt Radio…Except The Push­to­talk.


Pull out the mic element and the rubber holder. Web tap tx pwr and select desired transmission output. It features a six conductor modular plug.