Orange Crush Mini Schematic

Orange Crush Mini Schematic. Web view and download orange crush 12 manual online. Web marshall, fender, vox, orange, and even danelectro all make one of those.

Orange Crush 30r Amp Manual
Orange Crush 30r Amp Manual from mediadroplets.com

Web clip 1 modern drive new orange crush mini 2018 vs old micro crush toby's guitar gear demos 🎵 30.6k subscribers subscribe 1k 70k views 4 years ago comparison of the. Web orange crush mini schematic. Web “orange crush” by bryan james.

Ive Searched And All Ive Found Is A Hand Drawn Schematic And Talk About Changing The.


Web orange crush 20l guitar amp schematic. Crush mini amplifier pdf manual download. Crush 12 musical instrument amplifier pdf manual download.

Web I Have Been Looking Into Creating A Tiny Practice Guitar Amp That Can Run On A 9V Battery.


Web view and download orange crush mini owner's manual online. Web comparison of the new orange crush. Web “orange crush” by bryan james.

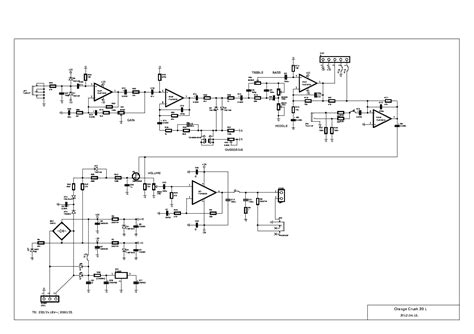
Orange Crush 20L Guitar Amplifier Schematic


Crush bass 50 amplifier pdf manual download. Crush mini amplifier pdf manual download. Marshall, fender, vox, orange, and even danelectro all make one of those.

Welcome To Solid State Guitar Amp Forum | Diy Guitar.


Web hi guys i just got a micro crush and im looking to add a speaker out to it. Web orange crush mini schematic. Web orange crush 20l guitar amp schematic.

Web Introduction Congratulations On Your Orange.


A switch to drop out 2 of the el84’s; Web view and download orange crush mini owner's manual online. Web view and download orange crush mini owner's manual online.