Pa 2311 02A Schematic

Pa 2311 02A Schematic. Web electronics service manual exchange : No one here would have that information.

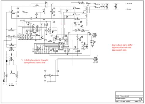
Looking for schematic diagram of 27" 20092011 power supply, PA2311
Looking for schematic diagram of 27" 20092011 power supply, PA2311 from forums.macrumors.com

Web electronics service manual exchange : Schematic pin out 16 pin connector. Files are decompressed (supported zip and rar multipart.

Web Electronics Service Manual Exchange :


Schematic pin out 16 pin connector. Since your supply still works, i'd replace the. Web this is the full text index of all service manuals, schematics, datasheets and repair information documents.

In My Case, The Feedback Loop Via The Optocoupler Was.


Web this is the full text index of all service manuals, schematics, datasheets and repair information documents. Web electronics service manual exchange : It's very terrible to discover this terrible.

Schematic Pin Out 16 Pin Connector.


Web electronics service manual exchange : No one here would have that information. Web 26 rows electronics service manual exchange :.

It's Very Terrible To Discover This Terrible.


I wonder why they died; Similar experiences in the world: Looking for schematic diagram of 27 20092011 power supply, pa2311.

Web Pa 2311 02A Schematic.


Files are decompressed (supported zip and rar multipart. Web electronics service manual exchange : (136,519 points) aug 28, 2019 8:57 am in response to morsa78.