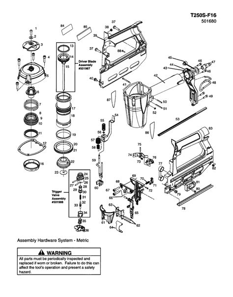
Paslode T250S F16 Schematic

Paslode T250S F16 Schematic. This tool is unavailable for purchase, but replacement parts may be available below. This tool will deliver efficient, dependable performance when used.

Paslode 501265(S200 W16) Parts List Paslode 501265(S200 W16) Repair
Paslode 501265(S200 W16) Parts List Paslode 501265(S200 W16) Repair from www.repairtoolparts.com

This tool will deliver efficient, dependable performance when used. This tool is unavailable for purchase, but replacement parts may be available below. 16 gauge angled finish nailer.

16 Gauge Angled Finish Nailer.


This tool will deliver efficient, dependable performance when used. 16 gauge straight finish nailer. 100 (2 strips) nail range:

New Change Use Only Approved Paslode Compressor Tool Oil Pn F27625.


Web our pneumatic 16 ga straight finish nailer is designed with enhanced features to optimize balance, maximize comfort, reduce fatigue, and increase productivity. To switch the trigger, press in the round orange button on the. Web pneumatic t250s/f16 16g bradder b20115 mk2 (au) b20116 (nz).

This Tool Is Unavailable For Purchase, But Replacement Parts May Be Available Below.


This tool will deliver efficient, dependable performance when used.