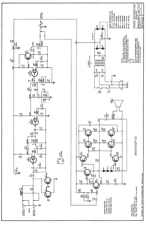
Peavey Backstage 30 Schematic

Peavey Backstage 30 Schematic. Web this is the 3 pages manual for peavey classic 30 schematic. It was stored in a hot barn, so i think all the.

Free download Peavey Backstage 30 Schematic
Free download Peavey Backstage 30 Schematic from www.audioservicemanuals.com

Web peavey classic 30 schematic. The backstage plustm is also equally. Backstage 30 musical instrument amplifier pdf manual download.

This Is The 2 Pages Manual For Peavey Backstage Plus Schematic.


Peavey backstage 2 11 80 schematic. Web peavey classic 30 schematic. (typically) (5% thd, 1 khz,.

Web Peavey Backstage 30 Schematic.


I have all the backstage schematics except. This is the 3 pages manual for peavey classic 30 schematic with volts. Web peavey backstage plus schematic.

Web View And Download Peavey Backstage 30 Operating Manual Online.


I have all the backstage schematics except for this one. Peavey classic30 sch service manual. Sun apr 16, 2017 9:07 pm backstage 30 schematic/service.

Backstage 30 Musical Instrument Amplifier Pdf Manual Download.


Peavey backstage 4 84 schematic. Web this is the 3 pages manual for peavey classic 30 schematic. Web peavey classic 30 schematic with volts.

Peavey Backstage 6 03 Schematic.


If you want to contribute, please mail your. This is the 3 pages manual for peavey classic 30 schematic. Web peavey backstage 30 amplifier schematic contents: