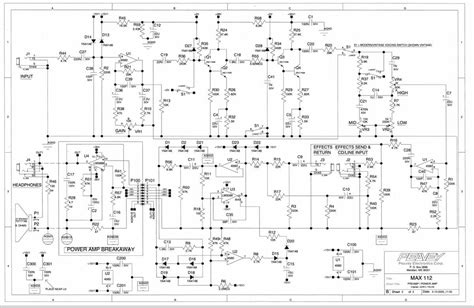
Peavey Bandit 112 Schematic. Read or download the pdf for free. Web peavey bandit 112 12 89 schematic.

Web i need a schematic for the new model of the peavey bandit 112. Manuals and user guides for peavey bandit 112. Web peavey bandit 112 manuals.
Peavey Bandit 112 Schematic. Read or download the pdf for free. Web peavey bandit 112 12 89 schematic.

Web i need a schematic for the new model of the peavey bandit 112. Manuals and user guides for peavey bandit 112. Web peavey bandit 112 manuals.
Web view and download peavey bandit 112 operating manual online. This is the 2 pages manual for peavey bandit 112 12 89 schematic. Web peavey bandit 112 12 89 schematic.
Scribd is the world's largest social reading and publishing site. Peavey bandit 65 2 82 schematic. This is the 4 pages manual for peavey bandit 1 transtube 112 4 95 schematic.
The channel switching system stopped. Read or download the pdf for free. The amp is in a repair shop.
I'm looking for a peavey bandit 112. You won't believe your ears! Peavey bandit 10 80 schematic.
Many years ago a friend gave this amp to me, because it gave no sound. Web congratulations on your purchase of the all new bandit@ 112 transtubetm series. Manuals and user guides for peavey bandit 112.