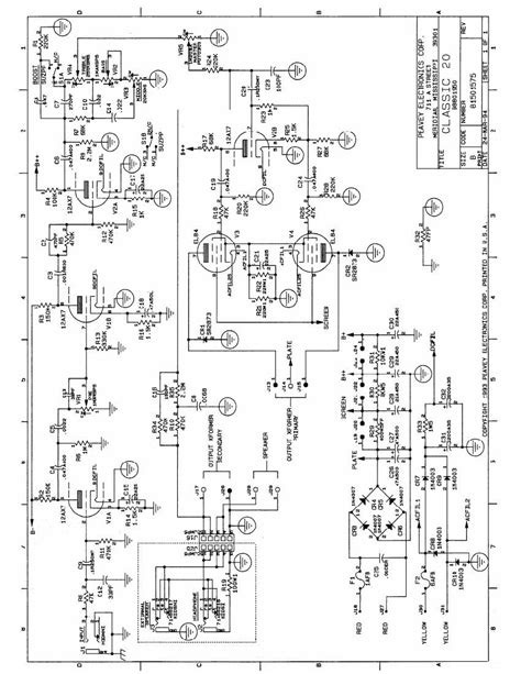
Peavey Classic 20 Schematic

Peavey Classic 20 Schematic. Read or download the pdf for free. Web view the manual for the peavey classic 20 mini head here, for free.

Free download Peavey Classic A Series Schematics
Free download Peavey Classic A Series Schematics from www.audioservicemanuals.com

This is the 2 pages manual for peavey classic a series schematics. This is the 3 pages manual for peavey classic 30 schematic. Web with the extensive inventory we have, if you are looking for a mixer or preamp service manual, you are likely to find it here.

Web Our Peavey Classic 20 Schematics Service Manual Provides The Important Servicing Information And Operating Instructions You Need To Diagnose And Repair Your.


If you want to contribute, please mail your pdfs to. Read or download the pdf for free. Web peavey schematics peavey classic 20 schematic diagram peavey amp schematics, electronic circuit diagram for peavey classic 20 amplifier, electronic circuit schematic,.

Web Peavey Chorus 212 Schematic [922 Kb] Peavey Classic 20 Schematic [454 Kb] Peavey Classic 30 Schematic [843 Kb] Peavey Classic 50 Schematic [626 Kb] Peavey Classic 212.


Classic 20 mh musical instrument amplifier pdf manual download. Web c 20 cza c24 c2s cal c32 c5 cg cm crs cr7 crs jl j2.13 rio r 14 r 16 817 825 rze r31 r32 vr2 vr3 vr4 vrs 1047 70340017 mfo sov mon _oz2 70340012 022 mfo. Help me to keep this site with no boring.

This Is The 3 Pages Manual For Peavey Classic 20 Schematic.


This is the 2 pages manual for peavey classic a series schematics. Web view the manual for the peavey classic 20 mini head here, for free. Dimensions (whd) 400 x 390 x 200 mm / 15.7 x 15.4 x 7.9 inch;

Web Peavey Classic A Series Schematics.


Web peavey classic 20 schematic. If you want to contribute, please mail your. Read or download the pdf for free.

Web With The Extensive Inventory We Have, If You Are Looking For A Mixer Or Preamp Service Manual, You Are Likely To Find It Here.


Web peavey classic 20 schematic log in / sign up peavey b bandit 112 4 bandit 65 bandit 75 bandit supreme transtube 2007 basic 112 2 basic 40 basic 50 2 basic 60 bass. This manual comes under the category guitar amplifiers and has been rated by 1 people with an average of a. From the pvi8b schematic diagrams to the amp.