Peavey Classic 50 50 Schematic

Peavey Classic 50 50 Schematic. Peavey 500 bh schematic [107 kb]. Web peavey amplifier model classic 50 schematics, peavey electronic circuit diagram, classic 50 schematics

PEAVEY CLASSIC 50 SCH Service Manual download, schematics, eeprom
PEAVEY CLASSIC 50 SCH Service Manual download, schematics, eeprom from elektrotanya.com

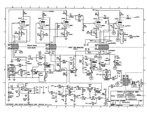
This is the 7 pages manual for peavey classic 50 50 power amp schematics. Peavey classic 30 with mods: Web peavey classic 50 50 power amp schematics:

Please Select Your Desired Model Below.


Classic 50 musical instrument amplifier pdf manual download. Peavey 500 bh schematic [107 kb]. I've heard others mention the same about that era of c50.

We Have 95 Peavey Diagrams, Schematics Or Service Manuals To Choose From, All Free To Download!


Help me to keep this site with no boring. This is the 7 pages manual for peavey classic 50 50 power amp schematics. Schematic diagram of peavey ampli

Read Or Download The Pdf For Free.


Web 50 w rms into 4, 8 and 16 ohms, both channels driven 100 w rms into 4, 8, and 16 ohms, mono (continuous sine wave with less than 5% thd, 40 hz to 20 khz, 120 v ac) 55 w. Web peavey amplifier model classic 50 schematics, peavey electronic circuit diagram, classic 50 free schematics downloads. Web peavey classic 30 schematic.

Web 1)Is There A Way To Modify This Old Classic Peavey 50 50 Power Amp To Get 25 25?


Read or download the pdf for free. If you want to contribute, please mail your. Peavey classic 50 4 92 schematics:

Peavey Classic 30 With Mods:


Peavey classic 50 50 power amp schematics: Help me to keep this site. This is the 3 pages manual for peavey classic 30 schematic.