Peavey Combo 300 Schematic

Peavey Combo 300 Schematic. Web view and download peavey combo 300 owner's manual online. Web of course no good deed goes unpunished, and my combo 300 died on the last song (hum through the speaker, compression light stays on).

Free download Peavey Bass 300 Schematics
Free download Peavey Bass 300 Schematics from www.audioservicemanuals.com

This is the 11 pages manual for peavey combo 115 power amp schematics. If you want to contribute, please mail. Web peavey combo 115 power amp schematics.

This Is The 4 Pages Manual For Peavey Combo 300 6 82 Schematics.


Web the schematic is available from peavey, contact customer service and request it. Peavey combo 300 owner's manual (6 pages) peavey combo 300: Web peavey kb300 combo keyboard amp repair.

If You Want To Contribute, Please Mail.


Web hi anyone has a schematic for the peavey combo 300 bass amplifier, please. Combo 300 amplifier pdf manual download. It sounds like a coil rub on the.

Read Or Download The Pdf For Free.


Web view and download peavey combo 300 owner's manual online. Web we have 95 peavey diagrams, schematics or service manuals to choose from, all free to download! Web contacting peavey will get you what you want.

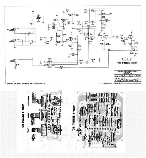
This Is The 4 Pages Manual For Peavey Kb 300 12 89 Schematics.


Read or download the pdf for free. Peavey kb300 combo keyboard amp repair. It distorts easily when i turn up the volume.

Your Old Part Is Probably Good, It Just Broke Off At The Lead Wires.


Web peavey combo 300 bass amplifier schematic contents: A schematic was posted previously but it has gone missing since the database crash here. Web we have 1 peavey combo 300 manual available for free pdf download: