Peavey Decade Amp Schematic

Peavey Decade Amp Schematic. If you want to contribute, please mail your pdfs to. We have 95 peavey diagrams, schematics or service manuals to choose from, all free to download!

Peavey Backstage Amplifier Schematic and Diagram Vintage Manuals
Peavey Backstage Amplifier Schematic and Diagram Vintage Manuals from www.bonanza.com

This is the 2 pages manual for peavey tnt 130 schematic. Id™ 1g instrument direct interface. If i don't have it already, i can download it any time, so feel free.

Web He Built The Peavey Decade Into Its Own Little Amp.” The Importance Of The Peavey To Queens Of The Stone Age’s Sound Can’t Be Overstated.


Web josh homme’s ‘secret weapon’ peavey decade amp now comes in pedal form. Yes, without a scope, you can trace signal presence with a. If you want to contribute, please mail your pdfs to.

Web U V W X Y Z Please Select Your Desired Model Below.


Web the peavey people were very busy, but polite and very helpful. Mixer flight case instructions for use with src 1600 and src 2400. Web minx bass amplification system.

This Is The 2 Pages Manual For Peavey Tnt 130 Schematic.


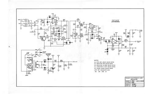
Web amps, keyboards, mixers, pedals, synthesizers, electronic drums, effects units, equalizers, guitar amps, reverbs, echo units, crossovers, pianos, chorus, phasers,. This is the 2 pages manual for peavey decade schematic. If i don't have it already, i can download it any time, so feel free.

Web Web Peavey Decade Guitar Amplifier Owners & Schematics Contents:


Web peavey decade guitar amplifier owners & schematics contents: Web click the link above for tube amp info, schematics, board building information, projects, mods, transformer diagrams, photo's, sound clips. Web ia 400 power amplifier specifications.

We Have 95 Peavey Diagrams, Schematics Or Service Manuals To Choose From, All Free To Download!


Read or download the pdf for free. Malinda in the parts department sent me the schematics via computer at no charge. I got the old timer.