Polaris Pool Cleaner Schematic

Polaris Pool Cleaner Schematic. (2 pages) vacuum cleaner polaris 9650iq sport owner's manual. Web these are replacement parts for the polaris 8050 cleaner.

Pool Supply Unlimited Polaris 9300 Sport Robotic In Ground Pool
Pool Supply Unlimited Polaris 9300 Sport Robotic In Ground Pool from www.poolsupplyunlimited.com

Web 83 rows my pool offers polaris 280 parts diagram, parts list for your polaris 280 pool cleaner. (2 pages) vacuum cleaner polaris 9650iq sport owner's manual. Web pool & spa cleaners.

Polaris 380 Pool Cleaner Parts.


Polaris 3900 sport pool cleaner parts. Why polaris robotic pool cleaners are your best bet. Cleaner specifications 4 section 3.

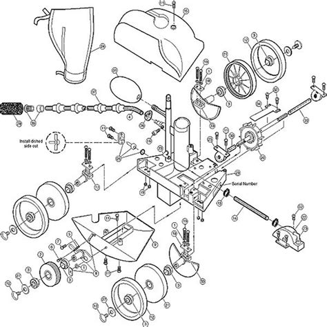
Every Replacement Part To Repair The Polaris 360 Pool Cleaner, The Low Pressure Model With 1.25 Dia.


Web ensure that the head float is not filled with water. Polaris 360 pool cleaner parts. Web polaris pool cleaner owner's manual (10 pages) swimming pool vacuum polaris 280 quick start manual.

Web Clean The Skimmer Basket, Pump Basket, And Pool Filter.


Web these are replacement parts for the polaris 8050 cleaner. Web polaris 280 pool cleaner parts. Other connections are possible, but.

Web Polaris Flies Around The Pool And/Or Does Not Make Contact With The Bottom.


Web polaris 360 pool cleaner parts and diagram. Using genuine polaris pool factory. All pool & spa cleaners.

Web My Pool Offers Polaris 480 Parts, Parts Diagram, Parts List For Your Polaris 480 Pool Cleaner.


Cleaner does not climb/goes in circles. Web polaris 180 pool cleaner replacement parts polaris 180 pool cleaner rebuild kit polaris 280 pool cleaner replacement parts polaris 380 pool cleaner replacement parts polaris 480. Important safety instructions 4 assembling the transport caddy 4 section 2.