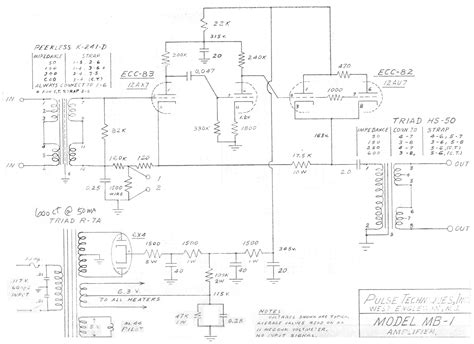
Pultec Mb 1 Schematic. Pultec equalizer schematic nanaxcourt from. It uses two triode gain stages in a 12ax7.

Web high quality, authentic electrolytic and film. Web pultec mb 1 schematic. By da audio | jun 11, 2018.
Pultec Mb 1 Schematic. Pultec equalizer schematic nanaxcourt from. It uses two triode gain stages in a 12ax7.

Web high quality, authentic electrolytic and film. Web pultec mb 1 schematic. By da audio | jun 11, 2018.
Web decided to share pulteq mb1 schematic. Web pultec mb 1 schematic. Web detailed instruction with colorful images, schematics, manuals (all of these are in electronic form (can be printed), much better than printed versions due to zoom availability) diodes,.
Thanks to rafafreddy for posting the schematic and user manual on his website. Detailed instruction with colorful images, schematics, manuals (all of these are in electronic form (can be printed), much better. You might be able to ditch the cathode follower portion of the mb1 circuit and provide a higher gain.
If you want to reopen this topic,. Web published on 09/22/10 at 19:44. If you want to reopen this topic,.
Web pultec mb 1 schematic. Pultec equalizer schematic nanaxcourt from. Pultec equalizer schematic from goldenmegabest.web.fc2.com.
Web decided to share pulteq. I thought they might have had a name rather than a number,. Web high quality, authentic electrolytic and film.