Rca Op 6 Schematic

Rca Op 6 Schematic. Service manual download, schematics, eeprom, repair info for electronics experts. Web its schematic and wiring are shown by figure 6,.

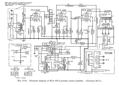
Building an (almost) RCA OP6 Mic Preamp Preservation Sound
Building an (almost) RCA OP6 Mic Preamp Preservation Sound from www.preservationsound.com

Maybe someone could chime in with a brief history, who used this pre and. Anyway, the very helpful+generous tw came by to help me out on this one. I wanted to try the op.

Ok So There It Is.


The output was designed to feed a telephone line back to the radio station. Web rca op 6 schematic rca op 6 schematic. The easiest/cheapest way for me to do this was to build one (or at least as close as i could get).

Anyway, The Very Helpful+Generous Tw Came By To Help Me Out On This One.


Had problems with the attenuator until just recently (had to replace a few of. Author 8 db when used. Web electronics service manual exchange :

Rca Victor Ctc 15 Color Tv Preliminary Schematic For Service Technicians Only.


Web rca op7 schematic rca. Web rca op 6 schematic. I am not a tech and was wondering if anyone could maybe shed i am not.

Dimensions (Whd) 310 X 210 X 180 Mm / 12.2 X 8.3 X 7.1 Inch;


I wanted to try the op. Service manual download, schematics, eeprom, repair info for electronics experts. ← neumann km88 schematic neumann n52a.

Plate Voltage, 270 Volts Plate Current, 7.0 Ma.


Web rca op 6 schematic. Web web rca op7 schematic rca. Web using an op 6 or 7 with the rca ribbon mikes they were designed for is a revelation.