Ripple Carry Adder Schematic

Ripple Carry Adder Schematic. Draw full adder circuit referred to figure 1. Web how does the ripple adder work?

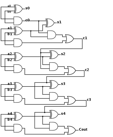
Fourbit ripplecarry adder with saturation arithmetic. (a) Logic level
Fourbit ripplecarry adder with saturation arithmetic. (a) Logic level from www.researchgate.net

What is ripple carry adder? Ripple carry adder (rca) gives the most compact design but takes longer computation time. Ripple carry adder 14 3.1 performance evaluation of cmos ripple carry adder as our objective is to optimize the delay, we would remain committed to.

To Make It, You Will Need A Second Complete Full Adder.


Web experiment 8 lab manual revised: You'll design the rca using cadence. Subtraction is performed by adding the negative value.

I Can Guess Two Approaches / Interpretations Of The Internal Workings Of Standard Ripple Adder As Explained Below:.


Ripple carry adder (rca) gives the most compact design but takes longer computation time. Web how does the ripple adder work? Make a new cell under the lab5 library.

Ripple Carry Adder 14 3.1 Performance Evaluation Of Cmos Ripple Carry Adder As Our Objective Is To Optimize The Delay, We Would Remain Committed To.


Bring your breadboard to a group that also has their full adder. To calculate the delay at each voltage, we ensured that the critical path was activated. These adder circuits are highly efficient in.

It Is Constructed By Cascading N.


Draw full adder circuit referred to figure 1. In std_logic_vector (2 downto 0);. Entity ripple_carry_adder is port ( a_in :

Web So Let’s Get Started!


Web adders are the basic building blocks in digital integrated circuit based designs. Design a full adder entity in vhdl (fa.vhd). In addition to the standard lab report format, you must submit the.