Rv Furnace Wiring Schematic

Rv Furnace Wiring Schematic. All brands, including fleetwood, create these diagrams to help electricians know. Knowing the exact layout of your wires can help you troubleshoot.

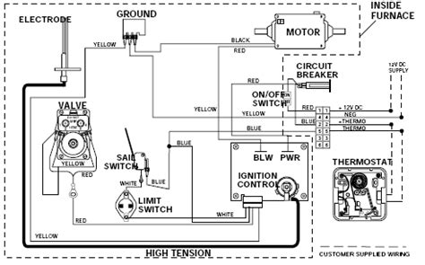
️Suburban Rv Furnace Wiring Diagram Free Download Gmbar.co
️Suburban Rv Furnace Wiring Diagram Free Download Gmbar.co from gmbar.co

Web a wiring diagram or schematic is an abstract drawing of how the wires look inside your rv. Even though there is a typical schematic, neither manufacturer is subject to stringent industry standards, so. Web learn about rv wiring diagrams and electrical schematics to better understand your rv's electrical system and troubleshoot issues.

I Go Over A Schematic Diagram And A.


Knowing the exact layout of your wires can help you troubleshoot. The power supply and the load. The power supply is usually the main power.

Web Suburban Rv Furnace Removal Inspection And Cleaning.


Even though there is a typical schematic, neither manufacturer is subject to stringent industry standards, so. All brands, including fleetwood, create these diagrams to help electricians know. These diagrams offer wire colors,.

Web Furnace Wiring Diagrams Provide Detailed Information On How Electricity Is Powered In Your Rv.


Use the rv electrical diagram we made below to. Web how to read a furnace wiring diagram. Web first, make sure to clean the interior and exterior vents of your air conditioning system to keep your motorhome parts running smoothly.

Web Suburban Rv Furnace Wiring Diagrams Provide A Comprehensive Overview Of The Wiring Required For Suburban Rv Furnaces.


Web components of coleman rv furnace wiring diagrams coleman rv furnace wiring diagrams typically include a thermostat, a blower motor, a limit switch,. Web dometic thermostat wiring for furnace (2 wire) the simplest type of thermostat employs only two wires, typically colored red and white, and doesn’t necessitate a “c” or. Read this before ing an atwood rv furnace rvshare com.

Web The Wiring Diagram For An Rv Thermostat Typically Consists Of Two Main Pieces:


In this video i show how to read or follow the wires on a gas furnace wiring diagram. Service manual, service training manual, user's. Web the first set of wires (often referred to as the “hot” and “common” wires) runs power to the thermostat and regulates the furnace’s heating cycle.