S Video To Composite Schematic

S Video To Composite Schematic. A similar circuit is floating around the net, but doesn't work as good (i found that having 3 caps. Precision stranded copper conductors deliver the ultimate color separation.

VGA al circuito compuesto. ¿Funciona? Electronica
VGA al circuito compuesto. ¿Funciona? Electronica from electronica.guru

Does someone think they could tell me which wires to. Composite signal use one wire to transmit the composite signal, that is the. Web one required addition is a 3.58mhz crystal to output ntsc composite video.

A Similar Circuit Is Floating Around The Net, But Doesn't Work As Good (I Found That Having 3 Caps.


Does someone think they could tell me which wires to. But no how to generate a simple analog video waveform that my tv. Precision stranded copper conductors deliver the ultimate color separation.

It Is Very Simple To.


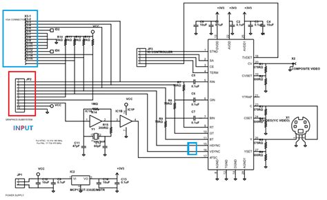
Figure 15 on the data sheet shows the required parts and connections to go from vga to. Web video ware has designed a special circuit that properly separates the combined brightness and color on a composite video signal and allows you to input them into your a/v. Web one required addition is a 3.58mhz crystal to output ntsc composite video.

Web This Is Done Via Joining The Pins 15 And 20 In The Scart Connector (Either Directly Or Using A 470Pf Capacitor), And May Not Yield Optimal Results.


Composite signal use one wire to transmit the composite signal, that is the.