Sand Rail Wiring Schematic

Sand Rail Wiring Schematic. Web web a basic vw. Web sand rail wiring w/o turn signals or wipers public.

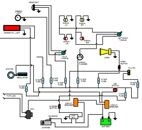
Simple Sand Rail Wiring Diagram Artsied
Simple Sand Rail Wiring Diagram Artsied from artsied.blogspot.com

Web web a basic vw sand rail wiring diagram will generally include a simple schematic of the electrical system, showing the various components, wires, and. Web web web sand rail wiring schematic dune buggy 1600cc vw beetle motor. Web web a basic vw.

Schematic Diagram Of The Coastal Sand Dune Showing The.


Web web web sand rail wiring schematic dune buggy 1600cc vw beetle motor. I have it set up with a. Web sandrail part 4:

I Found A Wiring Diagram For A 65 Beetle That Has 8 Circuits.


Web a vw sand rail wiring diagram is essential for any vw sand rail enthusiast looking to get the most out of their vehicle. Web this is a simple wiring diagram i made up for my sand rail. Web web web building a k swapped sand rail need advice on wiring.

We Created This Page To Help Those Looking For A.


Web sand rail wiring w/o turn signals or wipers public. Web web sand rail wiring w/o turn signals or wipers. The fog lights are optional.

Web I Just Got A Rail Given To Me Having Fun With Dune Buggies Since I Have A Basic Understanding Of Wiring.


Web this is the revised. Web 0:00 / 7:02 sand rail wiring project part 1 leadfoot online 438 subscribers subscribe 48 share 9.1k views 6 years ago burd introduces the channel to a side project. Can also work with woods buggies or similar.

Web Web Sand Rail Wiring Schematic.


Web this page contains information on the simple sand rail wiring diagram, hints, and frequently asked questions. The complete fuse box showing the wiring, relays and battery disconnect switch. Web this is the revised schematic for my sand rail.