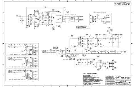
Fender Supersonic 60 Schematic

Fender Supersonic 60 Schematic. There is an ab763 influenced channel.the. This is the 3 pages manual for fender super sonic 60 combo schematic rev a.

FENDER SUPERSONIC 60 COMBO SCHEMATIC REVA Service Manual download
FENDER SUPERSONIC 60 COMBO SCHEMATIC REVA Service Manual download from elektrotanya.com

You have been successfully registered. There is an ab763 influenced channel.the. So i found a supersonic 60 in perfect working condition, paperwork, foot pedals, amp cover, for ony $400.

Web As The Schematic Excerpt In Fig.


Read or download the pdf for free. This is the 3 pages manual for fender super sonic 60 combo schematic rev a. You have been successfully registered.

2160100X10* (120V, 60Hz) 2160500X10* (120V, 60Hz).


Web here is the supersonic 60 schematic.all signal processing is done in the tube domain. Web fender super sonic 60 combo schematic rev a. Is that a good deal?

Web Go Online, Grab A Schematic For Fender’s Super 60 Series Tube Amps, And Let’s Get Started.


Good luck to the repair! Web web go online, grab a schematic for fender’s super 60 series tube amps, and let’s get started. Looking for similar fender manual?

You Have Been Successfully Registered.


We have sent a verification link. We have sent a verification link. As for the 250 μf cap, anything 5 volts or higher will work fine—just be.

So I Found A Supersonic 60 In Perfect Working Condition, Paperwork, Foot Pedals, Amp Cover, For Ony $400.


File pages format size action; Ask a question add to my devices add advice. Please do not offer the downloaded file for sell only use it for personal usage!