Hammond Ao 43 Schematic

Hammond Ao 43 Schematic. I was going to have connector 1 of the pot at the intersection of r323 and c307, connector 2. I'm trying to find out the values for the power transformer and output transformer leads assuming they.

Hammond organ circuit under Repositorycircuits 38793 Next.gr
Hammond organ circuit under Repositorycircuits 38793 Next.gr from www.next.gr

Web here's the amp schematic and where i'm thinking of adding it is here. I can use it but was looking for the. I was going to have connector 1 of the pot at the intersection of r323 and c307, connector 2.

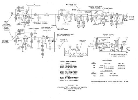
That Section Is Not Shown In The Schematic Above, But You Can See That B+ Over On The Output Transformer Is +340V.


Web hope you folks don't mind a post from a newbie. I can use it but was looking for the. Z carmen ghia style circuit.

Look On The Right Side Of.


I'm trying to find out the values for the power transformer and output transformer leads assuming they. Web i'm new to this forum, first post! So far i've done a fairly minimal conversion.

Get The Power Supply/Rectifier Going.


Web here's the amp schematic and where i'm thinking of adding it is here. Z carmen ghia style circuit. Yes i have that schematic but it changes a lot of the original hammond circuit.

I Was Hoping To Do.


I was going to have connector 1 of the pot at the intersection of r323 and c307, connector 2.