How To Read Substation Schematics

How To Read Substation Schematics. Web •one purpose of a substation is to contain the equipment for changing electric energy from one voltage to another. 3v and 5v circuit diagram skills.

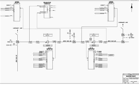
Single line diagrams of substations 66/11 kV and 11/0.4 kV EEP
Single line diagrams of substations 66/11 kV and 11/0.4 kV EEP from electrical-engineering-portal.com

Web last week brought us the first leaked specs xiaomi 14 series and we now have our first look at an early schematic of the base. Web testing point on the laptop motherboard. Electrical components are identified two.

Detailed Operation Of The Circuit Should Be Written Down In A Separate Document That Describes How Each Part Of The Circuit Works.


Web 0:00 / 18:47 how to read 11kv switchgear sld (single line diagram ) electrical mastar 20.2k subscribers 587 share 35k views 2 years ago single line. Web reading and understanding electrical schematics is an important skill for electrical workers looking to troubleshoot their electrical systems. Web •one purpose of a substation is to contain the equipment for changing electric energy from one voltage to another.

This Tutorial Should Turn You Into A Fully Literate Schematic Reader!


Web in this instructable i will talk about how to read a schematic and how to identify electrical components on a pcb (printed circuit board). Web how to read substation control & protection schematics & sld in depth training control & protection panel drawings, interlocking , ac loop, dc loop, trip circuit, alarm. Electrical elements such as circuit breakers, transformers, capacitors, bus bars, and conductors are shown.

Web 129K Views 1 Year Ago Power Systems A Quick Look Into The Main Assets Inside An Electrical Substation, Including The Voltage Transformers (Vts) And Current.


Sld, schematics and wiring diagrams what’s the difference? Web testing point on the laptop motherboard. Web how to read schematics :

Another Key Item To Note Is.


An entire substation design package can be overwhelming, even for seasoned and experienced design. Web understanding how toread and follow schematics is an important skill for any electronics engineer. The scope of this article was to investigate the basic primary circuit electrical configurations for transmission and distribution substations.

3V And 5V Circuit Diagram Skills.


Web last week brought us the first leaked specs xiaomi 14 series and we now have our first look at an early schematic of the base. Web on occasion a schematic will have two conductive paths shown overlapping with no dot or arch, this is to be read as no connection made. Circuit for the laptop battery, or battery.