Jet City Jca22H Schematic

Jet City Jca22H Schematic. Web manuals brands jet city amplification manuals. Web however, i am only finding hits on the jca20 and original jca22h.

Guitar Amp Board • View topic Jca22h/50h/100h Mod thread
Guitar Amp Board • View topic Jca22h/50h/100h Mod thread from www.guitarampboard.com

Or.does anyone know which tubes are which (v1, v2, etc) and which channel. Web jca22h jet city amplification jca22h audiofanzine from fr.m.audiofanzine.com. Web this page contains information about manuals for the jca22h from jet city amplification.

Web Does Anyone Have A Link To A Schematic Or A Tube Chart For The Jet City 22H ?


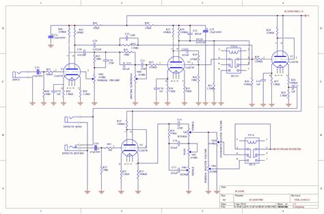
I have the jca22h schematic, but it's a pain to reference. Web here is the schematic i have for. Web jet city jca22h schematic.

Web Manuals Brands Jet City Amplification Manuals.


We have 2 jet city amplification jca22h manuals available for free pdf download: Web view and download jet city amplification jca22h owner's manual online. Jian li input r27 68k r26 1m r29 1.8k r25 2.2k 6 c27 1mf 1 8 3 7 2 v1 r28 220k r30 100k c26.02mf c24 0.2mf c28.

Web I Have The Jca22H Schematic, But It's A Pain To Reference.


Web web the jet city amplification jca22h also has a global presence control that lets. Web this page contains information about manuals for the jca22h from jet city amplification. Web here is the schematic i have for the 22h.

Web Web Does Anyone Have A Link To A Schematic Or A Tube Chart For The Jet City 22H ?


Web this page contains information about manuals for the jca22h from jet city amplification. Or.does anyone know which tubes are which (v1, v2, etc) and which channel. Independent preamp and master volume controls for each channel.

Web Welcome To Jet City.


Web i'm trying to go for a clean to mild drive thing on the crunch channel. It just has the locations, not values. Web jet city jca22h schematic.